The software I've written to date (fairly complete), is running pretty solid. My issues have been with the voltage divider and hardware filter.
The first pass of the op-amp based filter circuit did a good job filtering, but always had about 1.2 volts output with zero volts input, and the output was limited to about 3.8 volts. This was coupled with a poor choice of voltage divider values. While it ended up working, the voltage resolution wasn't as good as I wanted. (It would servo properly and "seemed" to work. I didn't test extensively and am still on the CNC learning curve.)
That first filter was creating using "FilterPro Desktop". It's a free filter design application from TI.
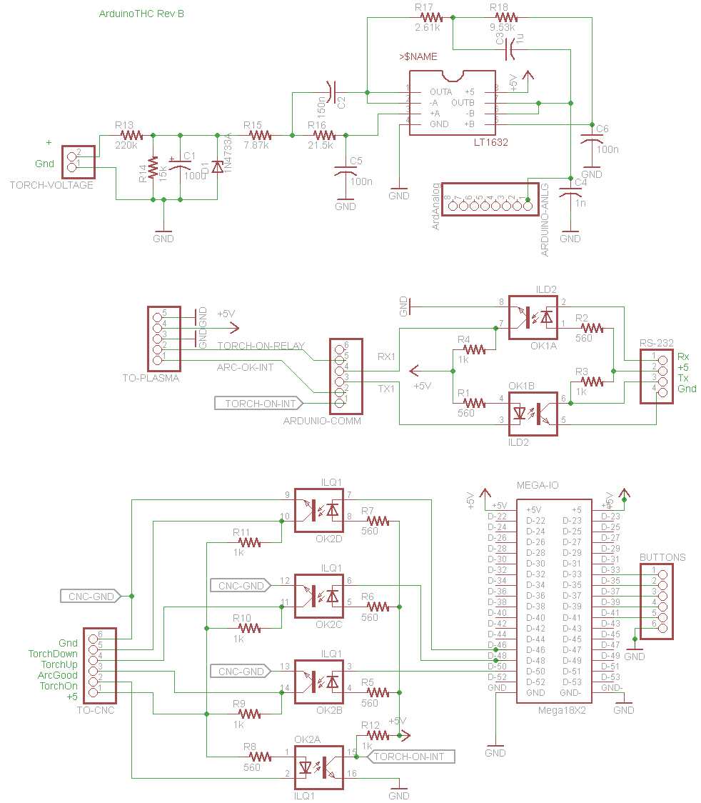
For pass 2 - I used "Filter CAD", a free filter design application from Linear Technologies. This approach used a passive filter chip instead of an op-amp.
The differences for the pass 2 design were:
1) new filter circuit
2) new voltage divider
3) added opto isolators on serial output
4) added opto isolators on the CNC signals (Torch On, Arc Good, Torch Up, Torch Down)
The picture above shows the Arduino Mega with a prototype board mounted on it containing the LTC1062 analog filter circuit and some opto-isolators. It's sitting on top of the schematic for the new filter.
The filter circuit did a good job filtering, but the response was sooo slow that it can't be used to servo on. The capture below shows the trace.
The yellow trace is the voltage just coming off the CNC port. The red trace is the voltage coming out of the filter. (The noise shown on the red trace isn't seen by the A/D. I think that's common mode noise the scope is picking up. The analog read of the value is pretty stable.)
On the trace, each square horizontally is half a second. You can see that its taking well over a second for the red trace to reflect voltage changes in the yellow trace. So, this filter doesn't seem to do the trick.
The values I used for the new voltage divider were better, but still not as good as I'd like. The divided voltage for the pilot arc (as high as I expect the voltage to be) is about 3.12 volts. So, it's improved, but I want to crank it up a little more to increase the resolution of the voltage reading.
I added the opto isolators on the serial output. Then I connected that to a TTL to USB interface (couple bucks on ebay). This allowed me to capture data (print out torch voltages so I can graph them) and debug (print debug messages based on behavior). In the future, it could be used to download presets based on the material being cut and the feed speed.
The circuit I found on the web uses a lower speed opto isolator. It is supposed to work at up to 19.2K baud. I didn't mess with it too much, but had no problem running it at 9600 baud. That's really sufficient for what I need, so I probably won't change the circuit to get higher serial port baud rates.
When I was building the board, I started wiring the opto-isolator for the CNC interface. After I got half the parts on, I ran out of space. Since the serial port works, I know the CNC signals will work. So, I won't do any more work on that until I do a custom PCB.
Next Steps........
I couldn't do a Spice circuit simulation of the filter chip since no model was available of the chip. However, using the model of the first circuit I built, I was able to accomplish two things. They are:
1) figure out the exact voltage output of the CNC port and ideal voltage divider values (taking into account the 100K resistors internal to the CNC port on both the positive and negative side).
2) found an op amp that will plug into my first circuit and should give me the best possible filtering (If the simulation matches reality)
I just ordered the new op amp and voltage divider resistors from Digikey and hope to be able to try again on the weekend.
If the next hardware update works - I will probably make a (prototype) custom Arduino shield board to make assembly really easy. After that and a little more debugging, I'll post all the information online (circuit and software).
--
The Christmas present my wife "ordered for me" showed up on Monday. A 200DX. So, that will be a whole new set of learning challenges (never did TIG before). Of couse, I told her I had to open it to "inspect for damage". Its a thing of beautyI just won't start using it until after she "gives it to me"
I'll be on the forum a lot for help when I get started with that.


I just won't start using it until after she "gives it to me"
I'll be on the forum a lot for help when I get started with that.
Reply With Quote

