Share
Results 1 to 10 of 10

Thread: Reil Burner (Oxide00 Project #2)

  1. #1
    Join Date
    Mar 2011
    Location
    Springfield, Illinois
    Posts
    139

    Default Reil Burner (Oxide00 Project #2)

    This is a Reil Burner that I built in hopes of successfully melting aluminum in my homemade foundry (in the works). The burner runs on propane fuel that can be bought at any gas station or store. Alright, this is how it works, the burner is naturally aspirated which means it draws in air for combustion by means of a venturi (through the bell shaped reducer). Inside the bell reducer is a 4 inch long 1/8" red brass pipe with a #60 (very small) hole drilled in it, this is where the propane flows through. As propane flows through the hole at high speed it draws in the air needed to support combustion of high enough temperature to melt various metals. (Venturi Effect)

    More picture coming detailing stages of the build



    Uploaded with ImageShack.us


    Feel free to ask questions!!!!!
    Last edited by Oxide00; 07-16-2011 at 04:29 AM.
    Completed Midwest Technical Institute 40 week welding/pipefitting school!!
    Attending Lincoln Land Community College - Degree in Computer Programming

  2. #2
    Join Date
    Mar 2011
    Location
    The Boonies of Texas
    Posts
    420

    Default

    Oxide, You are going to LOVE that Gingery furnace (I have that book too). Once you cast the refractory, fire it low and slow several times or the water will pop chunks out. It is great! I have a friend that built one I have used several times. I have a Gingery Li'l Bertha Electric (#2 crucibles) I built a few years ago but the gas one is superior in every way, much larger too (#10 Crucibles). It does silicon bronze, brass and aluminum very well. Sand-casting is great fun.

    Thurmond
    Last edited by Tritium; 07-16-2011 at 02:57 AM.
    Miller Bobcat 3 Phase,
    Miller Suitcase X-Treme 12VS wire feeder for the Bobcat with M-25 300A .045" gun / Bernard 400A 5/64" wire mig gun .
    26 series gas cooled TIG torch, setup for quick connect to Bobcat.
    17 series gas cooled Tig Torch for Low Amp Solar Tig (Direct Solar Panel Powered Tig welding)
    Hobart Handler 187 Mig / Fluxcore
    EVERLAST PowerUltra 205P
    EVERLAST PowerTig 250 EXT 2013 Model

  3. #3
    Join Date
    Mar 2011
    Location
    Springfield, Illinois
    Posts
    139

    Default

    Well, I almost completed the gas fired crucible furnace frame (every one thought it was a chair) in my high school welding class but I ran out of time. The last day I tried to take it home (didn't have a car back then). I tried to take the frame home on the city bus, the bus driver looked at me and took off without me (lulz to that). I hid it in the back of my high school welding class, but never had a chance to pick it up. I'm pretty sure that once the new students found it they went at like at a pack of wolves with the oxy/acet torch (since the school is now pretty much broke).

    P.S I have almost every single Gingery book,that man was a mechanical genius!!!!
    Last edited by Oxide00; 07-16-2011 at 05:52 PM.
    Completed Midwest Technical Institute 40 week welding/pipefitting school!!
    Attending Lincoln Land Community College - Degree in Computer Programming

  4. #4
    Join Date
    Mar 2011
    Location
    The Boonies of Texas
    Posts
    420

    Default

    A great source of aluminum that cast very well is old lawnmower engine casings / castings. The stuff sand cast like a dream. Get busy and build another frame. You will love the finished product. Isn't that the burner that uses a tweco tapered tip for the gas jet?

    Thurmond
    Miller Bobcat 3 Phase,
    Miller Suitcase X-Treme 12VS wire feeder for the Bobcat with M-25 300A .045" gun / Bernard 400A 5/64" wire mig gun .
    26 series gas cooled TIG torch, setup for quick connect to Bobcat.
    17 series gas cooled Tig Torch for Low Amp Solar Tig (Direct Solar Panel Powered Tig welding)
    Hobart Handler 187 Mig / Fluxcore
    EVERLAST PowerUltra 205P
    EVERLAST PowerTig 250 EXT 2013 Model

  5. #5
    Join Date
    Mar 2011
    Location
    Springfield, Illinois
    Posts
    139

    Default

    Actually my burners based on Ron Reil's design, I think you are thinking of Micheal Porter's design (I have his book too ). Here's a pic of the orifice



    Uploaded with ImageShack.us
    Completed Midwest Technical Institute 40 week welding/pipefitting school!!
    Attending Lincoln Land Community College - Degree in Computer Programming

  6. #6

    Default casting Aluminum

    Hey Oxide00
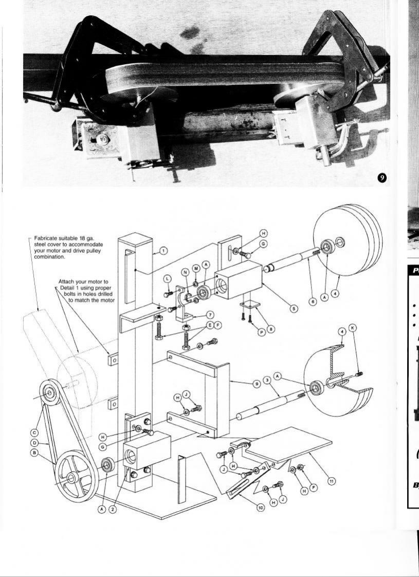
    You are opening up a whole new world with casting aluminum. Here is a belt sander/grinder I built many years ago. I cast the bearing housings and wheel for it. I also built Gingery’s dividing head for cutting gears. There are many things you will be able to make; it comes down to your imagination as to where you go.

    Have fun
    Tom
    Attached Thumbnails Attached Thumbnails Click image for larger version. 

Name:	BELT1b.jpg 
Views:	1475 
Size:	112.2 KB 
ID:	2849   Click image for larger version. 

Name:	beltsander.jpg 
Views:	1512 
Size:	124.7 KB 
ID:	2848   Click image for larger version. 

Name:	beltsander2.jpg 
Views:	1294 
Size:	120.5 KB 
ID:	2847  

    Everlast PM256
    Millermatic 180
    Hypertherm PowerMax 65 with machine torch
    Longevity Force Cut 80I
    DIY CNC table for plasma/routing
    13" metal lathe
    Small Mill
    ect, ect.

  7. #7
    Join Date
    Mar 2011
    Location
    Springfield, Illinois
    Posts
    139

    Default

    That a awesome DIY grinder you have there acourtjester, may I ask where you obtained the plans to construct it?
    Completed Midwest Technical Institute 40 week welding/pipefitting school!!
    Attending Lincoln Land Community College - Degree in Computer Programming

  8. #8
    Join Date
    Mar 2011
    Location
    The Boonies of Texas
    Posts
    420

    Default

    Hey Oxide the article has Toms (acourtjester) name attached to it. Looks like it is his design.

    Thurmond
    Last edited by Tritium; 07-17-2011 at 12:00 AM.
    Miller Bobcat 3 Phase,
    Miller Suitcase X-Treme 12VS wire feeder for the Bobcat with M-25 300A .045" gun / Bernard 400A 5/64" wire mig gun .
    26 series gas cooled TIG torch, setup for quick connect to Bobcat.
    17 series gas cooled Tig Torch for Low Amp Solar Tig (Direct Solar Panel Powered Tig welding)
    Hobart Handler 187 Mig / Fluxcore
    EVERLAST PowerUltra 205P
    EVERLAST PowerTig 250 EXT 2013 Model

  9. #9

    Default more shop tools he he he

    That be right it was published in Home Shop Machinist about 20 years ago.
    It has a 2HP motor and it is a very important part of my shop equipment. The belt is 2” X 60” I have used a few different grits but 80 to 100 seems to work well. A simple design, easy to build, and easy to change belts I have it on a pedestal. I made a few of these pedestals for grinder, Bead roller, table, and belt sander. A truck rim with a pipe welded on filled with concrete with wheels for mobility.

    Have fun
    Tom
    Attached Thumbnails Attached Thumbnails Click image for larger version. 

Name:	grinder pedestal.jpg 
Views:	623 
Size:	145.4 KB 
ID:	2871   Click image for larger version. 

Name:	bead roller II with dies (3).jpg 
Views:	4735 
Size:	95.5 KB 
ID:	2872  
    Last edited by acourtjester; 07-17-2011 at 03:50 PM. Reason: add pictures

    Everlast PM256
    Millermatic 180
    Hypertherm PowerMax 65 with machine torch
    Longevity Force Cut 80I
    DIY CNC table for plasma/routing
    13" metal lathe
    Small Mill
    ect, ect.

  10. #10
    Join Date
    Mar 2011
    Location
    Springfield, Illinois
    Posts
    139

    Default

    That's pretty awesome!! I have always thought the DIY projects in HSM's publications were amazing!!
    Completed Midwest Technical Institute 40 week welding/pipefitting school!!
    Attending Lincoln Land Community College - Degree in Computer Programming

Similar Threads

  1. Building a burner for a gas grill
    By trickbiker in forum General Welding Questions
    Replies: 5
    Last Post: 09-01-2012, 04:20 AM
  2. HVAC antitheft Tool/Equipment Cage - Oxide00 Project #1
    By Oxide00 in forum Other Custom Fabrications
    Replies: 32
    Last Post: 07-07-2011, 07:24 PM

Posting Permissions

  • You may not post new threads
  • You may not post replies
  • You may not post attachments
  • You may not edit your posts
  •